Skip to Content
Versa Block Clamp
AVBC-600 2.webp
versa-block-clamp-avbc-600-3.webp
youtube - [Video]
Versa Block Clamp

Versa Block Clamp AVBC-600

Contact for price

Versa Block Clamp - AVBC-600

General 

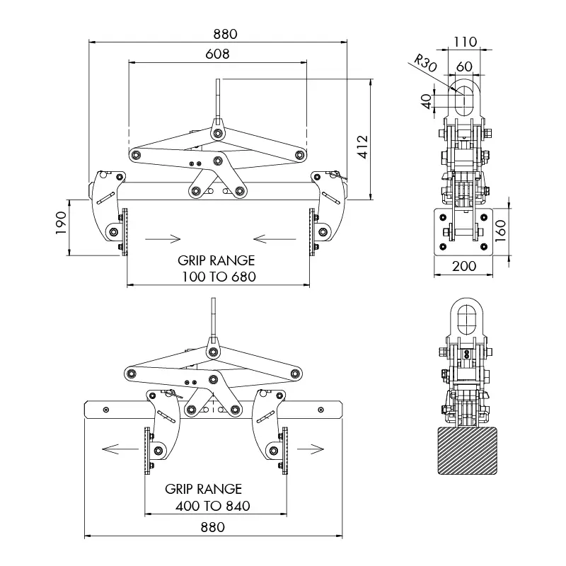
The Versa Block Clamp AVBC-600 features sliding jaws that adjust to handle concrete and masonry block from 100 - 600 mm in width and it has a lifting capacity of 2,000 Kgs. Designed for use with cranes or forklifts, the Versa Block clamp uses a gravity-controlled locking system that securely grips loads during lifting and releases them automatically when placed down.  

The Versa Block Clamp AVBC-600 features adjustable and reversible jaws with rubber-lined pads that provide a firm hold while minimizing surface damage. Built from high-strength steel with a durable powder-coated finish, these clamps are made for long-term use in construction and industrial applications. 

Applications 

  • Lifting and positioning concrete, stone, and cement blocks 

  • Handling tires, drums, and cylindrical materials 

  • Moving heavy loads on construction sites, warehouses, and industrial facilities.  

Features 

  • Gravity-controlled automatic grip and release 

  • Adjustable jaws for different load widths 

  • Reversible jaws for flexible gripping options 

  • Rubber pads improve grip and protect material surfaces 

  • Compatible with cranes and forklifts 

Specifications


AVBC600
Metric
Grip range 100 - 600 mm
Working load limit 1200 kg
Net weight 50 kg
Gross weight 55 kg
Packaging dimensions L.840 x W.220 x H.490

Request a price

*How we might use your information We may contact you by phone or email, if you have not opted out, or where we are otherwise permitted by law, to provide you with marketing communications about similar goods and services. The legal basis that allows us to use your information is ‘legitimate interests’. More information about how we use your personal data can be found in our Privacy Policy.